GO
D1D2

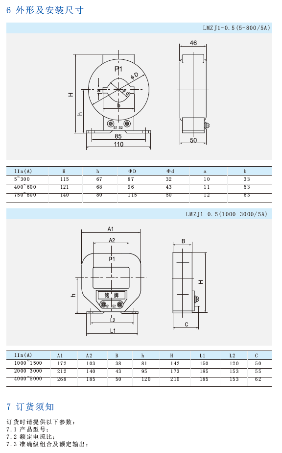
LMZJ1-0.5型电流互感器

所属分类:互感器

PDF File:

在线客服

三亿在线登录客服1

1428967121

三亿在线登录客服2

2281824741