GO
15d

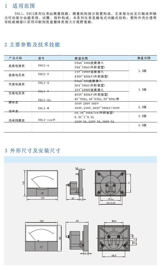
59L1、59C2系列电表

所属分类:电能表、仪器仪表

PDF File:

在线客服

三亿在线登录客服1

1428967121

三亿在线登录客服2

2281824741