GO
3d

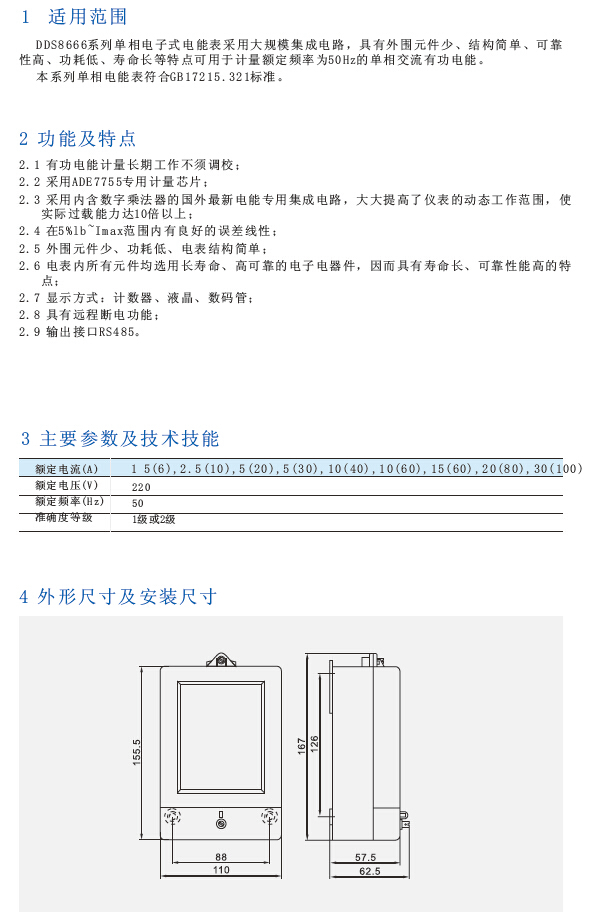
DDS8666系列单相电子式有功电能表

所属分类:电能表、仪器仪表

PDF File:

在线客服

三亿在线登录客服1

1428967121

三亿在线登录客服2

2281824741