GO
DZ47-125DDZ47-125D2DZ47-125D3

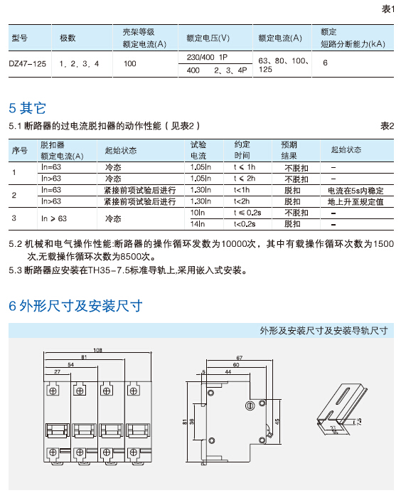
DZ47-125系列小型断路器

所属分类:小型断路器

PDF File:

在线客服

三亿在线登录客服1

1428967121

三亿在线登录客服2

2281824741